
Traditional be quiet! box artwork – simple and dark, with a high resolution image of the product on the front.

be quiet! include a regional specific power cable, a user manual, cable ties, mounting screws and a PCIe power converter cable.


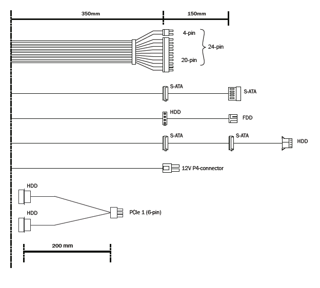
All of the cables are hardwired, although there aren't that many due to the nature of this particular design. The PCI-E cable connects to two of the standard Molex connectors for power.

A breakdown of the cables including their length.
Tags be quiet! TFX Power 2 300W Gold be quiet! TFX Power 2 300W Gold review be quiet! TFX Power 2 Gold be quiet! TFX Power 2 Gold review Review
Check Also
Free-to-play FPS Warface to shut down after 13 years
After well over a decade (and multiple studio switch-ups) MY.GAMES announced that the free-to-play FPS Warface is officially being shut down.
KitGuru KitGuru.net – Tech News | Hardware News | Hardware Reviews | IOS | Mobile | Gaming | Graphics Cards

